全国服务热线:
021-64583812
网站首页
产品中心
C&K
CTS
DAILYWELL
DIPTRONICS
ENPLAS
HAMPOLT-PLAIMAE
OMRON
SM
YAMAICHI
产品列表
C&K
CTS
DAILYWELL
DIPTRONICS
ENPLAS
HAMPOLT-PLAIMAE
OMRON
SM
YAMAICHI
知识库
产品知识
常见问题
供应信息
关于我们
企业文化
资质证书
开票信息
在线留言
联系我们
热门关键词:
C&K
CTS
DAILYWELL
DIPTRONICS
ENPLAS
HAMPOLT-PLAIMAE
OMRON
SM
YAMAICHI
您的位置:
首页
>
产品中心
>
HAMPOLT-PLAIMAE
>
旋转编码开关
产品中心
C&K
拨码开关
旋转编码开关
按动开关
轻触开关
CTS
拨码开关
DAILYWELL
按钮开关
摇头开关
翘板开关
滑动开关
金属开关
DIPTRONICS
程式开关
旋转编码开关
轻触开关
ENPLAS
BGA|LGA
PLCC
QFN
QFP|CQFP|LQFP|MQFP|TQFP
SOP|PSOP|SSOP|TSOP|TSSOP
TCP
TSOP
HAMPOLT-PLAIMAE
推轮开关
指轮开关
旋转编码开关
OMRON
拨码开关
旋转DIP开关
指轮式拨码开关
SM
旋转编码开关
YAMAICHI
BGA|FBGA|SBGA
CSP
DIP|SDIP
LCC|PLCC
PGA
QFN
QFP|BQFP|SQFP|PQFP|TQFP
SIP
SOJ
SOP|SSOP|TSOP
TCP|TAB
ZIP
全国服务热线
021-64583812
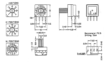
RI40714
操作部:
侧边轴型旋转式
操作部高:
7mm
规格:
10*10mm
输出码:
实码
额定值:
DC24V/100mA
位置数:
16P
端子型:
4*1
封装:
DIP
脚间距:
2.54mm
工作温度:
-20~70°C
在线咨询
全国热线
021-64583812
产品介绍
产品推荐
/ PRODUCT
Copyright © 2023-2023 上海思维驰机电科技有限公司公司 版权所有 备案号:
沪ICP备2022000444号-1
产品名称:
*
你的姓名:
联系电话:
电子邮箱:
联系地址:
留言内容: